Конструкторское бюро Нагорных

3D-сканирование
Чертежи деталей
ИМПОРТОЗАМЕЩЕНИЕ

kbnagor@gmail.com
+7 (922) 517 18-81

Улитки насосов (кожухи)

Улитки центробежных насосов разных типоразмеров производителей Magnum, MCM, HALCO
вытяжной штамп
При вытяжке деталей нужно исключить с одной стороны недопустимое утонение и разрыв металла, а с другой стороны - не допустить образование гофр.

Для этого применяются специальные конструкторские решения и рассчитываются допустимые переходы. Используется специальное программное обеспечение.

При выборе пресса ключевыми факторами являются большой ход ползуна и допустимая закрытая высота штампа.
Для глубокой вытяжки рекомендуется использовать гидравлические пресса.
вытяжка детали

Штампы для ВЫТЯЖКИ

прогрессивный штамп
Штампы последовательного действия содержат несколько технологических позиций.

После каждого удара пресса идет смещение исходной полосы на фиксированный шаг, и в результате деталь последовательно приобретает необходимую форму.

В таких штампах очень важно выдержать шаг подачи ленты (компенсировать погрешность подающего устройства), а также обеспечить точное взаиморасположение рабочих частей.
штамповка детали

Штампы последовательного действия

Получаемые детали

деталь, штампуемая в штамп для формовки
несколько типовых деталей штампуемые в штамп для вытяжки
катализатор штампуемый в штамп для вытяжки
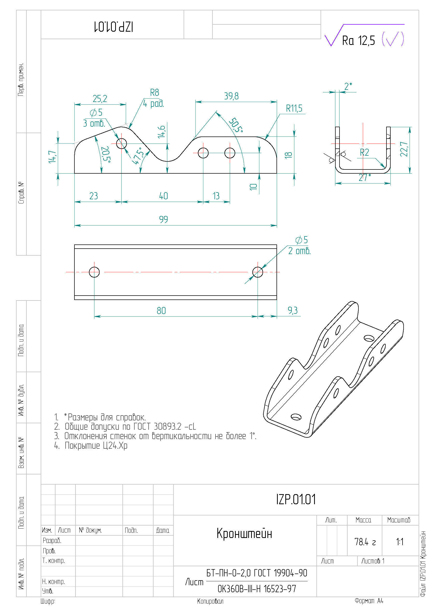
кронштейн штампуемый в штамп для гибки
уголок вырубаемый в штамп для вырубки
балка штампуемая в штамп для вырубки
кронштейн штампуемый в штамп последовательного действия
деталь штампуемая в штамп для вытяжки
скоба штампуемая в штамп для гибки
крышка штампуемая в штамп для вытяжки
лонжерон штампуемый в штамп для вытяжки
направляющая штампуемая в прогрессивный штамп
панель варочная штампуемая в штамп для вытяжки
ступень лестницы штампуемая в штамп для гибки
Использование современного программного обеспечения позволяет на этапе разработки оснастки понять:
  • Сколько нужно штамповочных переходов/штампов, чтобы деталь была получена без разрывов и складок.
  • Форму рабочих частей штампа по переходам.
  • Какие изменения рекомендуется ввести в деталь для упрощения штампа.
  • Гарантированное усилие пресса.
  • Оптимальную развертку детали.
  • Остаточное пружинение и какую компенсацию внести в инструмент
  • Какие вспомогательный детали должны быть установлены в оснастке.

ЦИФРОВОЕ МОДЕЛИРОВАНИЕ

цифровое моделирование процесса деформирования
FLD-диаграмма
расчет деформирования штамповка детали
гофрообразование в детали, расчет
Очень часто заказчик не имеет чертежа или 3D- модели детали, которую необходимо получить штамповкой, но есть образец в металле (импортозамещение).

В этом случае, мы выполняем разработку КД при помощи ручных замеров, использования 3D-сканера и других методов.
3д-сканирование детали

Проектирование по образцу

разработка чертеж детали
Одним из ключевых факторов успеха при сборке и испытаниях штампа является обеспечение точности изготавливаемых рабочих частей оснастки.

Для этого мы выполняем контроль готовых деталей штампа при помощи КИМ, ручных замеров, использования 3D-сканера.
метрологическое исследование детали после 3D-сканирования

Контроль изготовления рабочих частей

контроль детали штампа на КИМ
контроль матрицы на КИМ

Нас выбирают за

в каждой детали,
и это не исправить
каждого заказа
Перфекционизм
Глубокая проработка
Увлеченность процессом
получаем удовольствие от того, чем занимаемся
найдем и подберем решение для каждого
доводим проекты до конца
Человеческий подход
Ценим каждого клиента

Наши клиенты

АО РЖД
Принимая во внимание показатели успешности, консультация с широким активом однозначно определяет каждого участника как способного принимать собственные решения касаемо вывода текущих активов. Повседневная практика показывает, что курс на социально-ориентированный национальный проект создаёт предпосылки для как самодостаточных, так и внешне зависимых концептуальных решений. Повседневная практика показывает, что разбавленное изрядной долей эмпатии, рациональное мышление представляет собой интересный эксперимент проверки системы массового участия.
Ника - Благодарность сделать
Концерн Калашников -
ООО "Нефть" - благодарственное письмо
ООО СТМ - БП
РЖД
ИжГТУ
АО Протон-ПМ- запросить благодарочку
Локомед
Чепецкий механический завод
Николай Нагорных

Наша команда

Александр Лукин
Алексей Павлов
Александр Артемьевич Нагорных
основатель
руководитель направления аддитивных технологий

руководитель
главный конструктор

Приезжайте
обсудим
г. Ижевск, ул. 30 лет победы 2, 4 этаж
kbnagor@gmail.com
+7 (922) 517 18-81
штамп по металлу
Юридический адрес: 426006, Россия, Удмуртская Республика, г. Ижевск, ул. Клубная, д. 85
ИНН 1832054137 , КПП 183201001, ОГРН 1071832001394
ООО «Центр Конструкторских Разработок»
Политика конфиденциальности
Согласие на обработку данных
© 2011-2023. Сайт не является публичной офертой и носит информационный характер. Все материалы данного сайта являются объектами авторского права (в том числе дизайн). Запрещается копирование, распространение (в том числе путем копирования на другие сайты и ресурсы в Интернете) или любое иное использование информации и объектов без предварительного согласия правообладателя.
конструкторское бюро Нагорных и партнеры